服务热线:138 5880 9399

Multi turn actuator

多回转执行器

电动执行器
电动执行器

电动执行器

  • 所属类别:电动执行器>多回转执行器
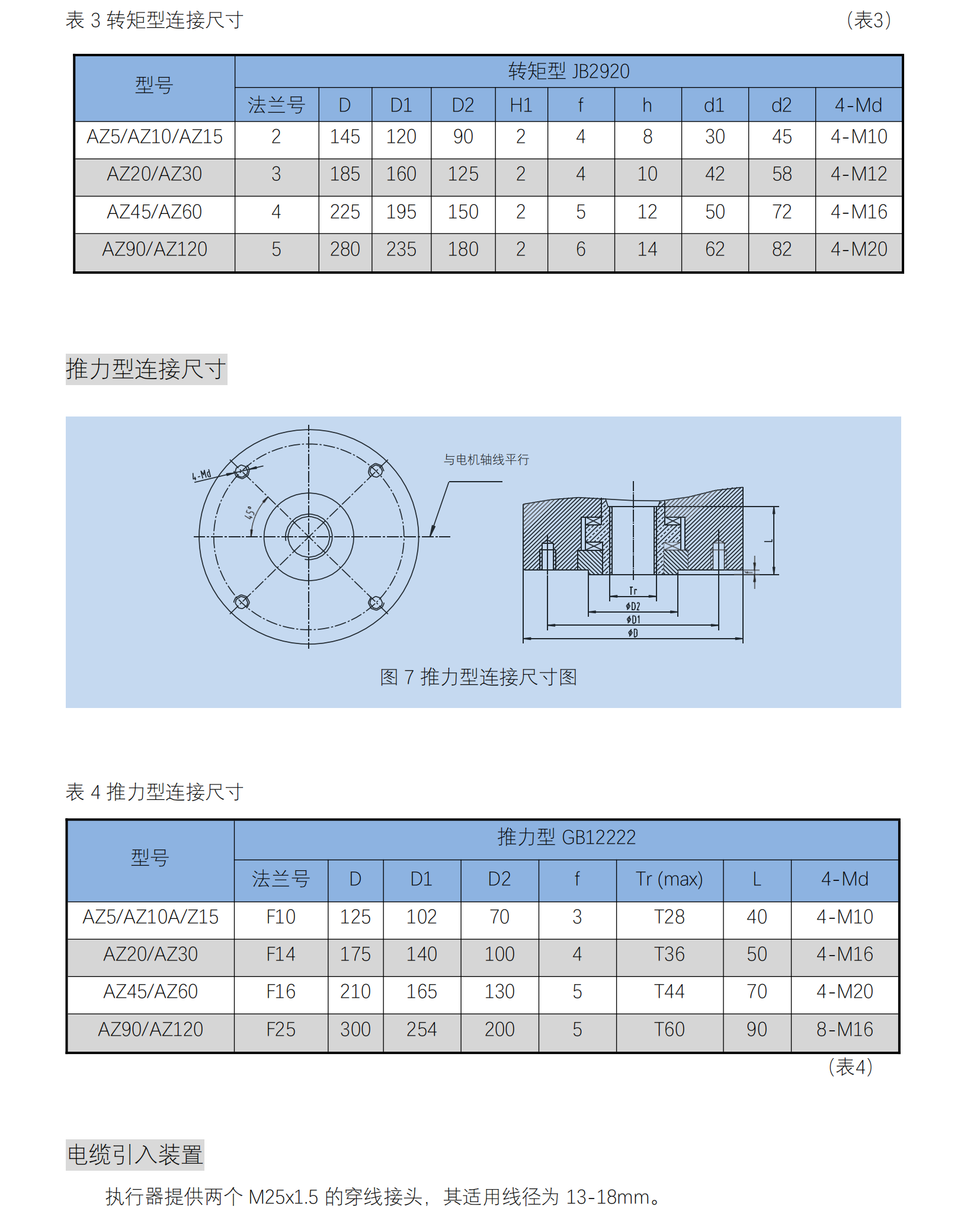
  • 产品描述:

    多回转阀门电动装置,简称为Z型电装,是阀门实现开启、关闭或调节控制的驱动设备。Z型电装适用于闸阀、截止阀、隔膜阀、柱塞阀、节流阀、水闸门等。可对阀门实行远控、集控和自动控制。广泛用于电力、冶金、石油、化工、造纸、污水处理等行业。 本产品的性能符合JB/T8528-1997《普通型阀门电动装置技术条件》的规定。


暂无相关资料
HOT SALE 热销产品
首页
产品
联系